Indicadores digitales: cuándo conviene utilizar cada tipo de salida digital
Marzo 15, 2019
Los indicadores digitales de panel disponen de múltiples opciones de salida y control modulares, son de fácil instalación y combinables entre sí. Proporcionan salidas analógicas, comunicaciones o control on/off, en concreto, salidas on/off de tipo relé, transistor y control SSR. Pero, ¿en qué casos conviene utilizar cada una de ellas? Hoy en nuestro blog, repasaremos las ventajas y desventajas de cada tipo de salida digital.
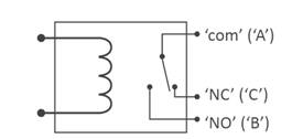
Salida relé
La salida relé es la opción más utilizada en sistemas de automatización y, por ello, también la más popular en indicadores y controladores digitales.
Esta es la opción más habitual por permitir conmutar hasta 250Vac y corrientes de hasta 8 Amperes, conmutar desde redes de alimentación a electroválvulas, contactores o enviar una señal a cualquier elemento remoto. Por su naturaleza el relé provee aislación galvánica entre los contactos de salida y el circuito del indicador o controlador.
La contrapartida de la salida relé es que se trata de un sistema mecánico con un cierto retardo (milisegundos) y un desgaste asociado a cada conmutación. Su vida útil aproximada es del orden de las 100.000 conmutaciones.
Salidas relé
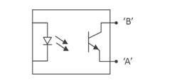
Salida transistor
La salida transistor es un elemento electrónico, por lo que no tiene ningún tipo de desgaste mecánico apreciable. Permite en la práctica un número infinito de conmutaciones. Además, su conmutación es prácticamente instantánea.
La contrapartida de esta salida es que se encuentra limitada en cuanto a la tensión que puede conmutar, siendo habitual los 30Vdc como máximo, siempre en DC.
Las salidas transistor son habituales en controles tipo PWM donde el número de conmutaciones por hora es muy elevado o para codificar señales binarias.
Salida transistor optoacoplada lo que brinda aislación entre las salidas y el indicador/controlador
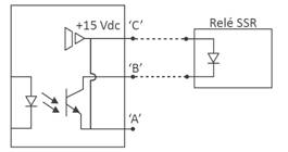
Salida de control SSR (relé de estado sólido)
La salida de control SSR permite controlar un relé de estado sólido o SSR (Solid State Relay). El relé SSR combina lo mejor de los relés y los transistores. De hecho, es un componente electrónico (y por lo tanto rápido y sin desgaste apreciable) al tiempo que permite la conmutación de elevados niveles de tensión, típicamente 230Vac con un amperaje apreciable.
Cómo contrapartida, la salida de control SSR no es económica, pues resulta más cara que los relés y transistores convencionales.
Los relés SSR necesitan un control especial, mediante la inyección de una corriente que provocará la conmutación del relé. La aislación de la carga la brinda principalmente el propio SSR, elemento externo al indicador/controlador
Salida para control relé SSR
Indicadores digitales de panel FEMA: 3 módulos de salida
Los tres tipos de salida de FEMA ELECTRÓNICA permiten su instalación en indicadores industriales de las series M, B, K y S ofreciendo además de la funcionalidad indicada, aislamiento entre el resto de circuitos para minimizar cualquier tipo de problema debido a bucles de masa que pudieran existir.
Módulo ‘R1’ de 1 salida relé
Relé de 3 contactos (NO, NC, Común) con capacidad de conmutación hasta 250Vac (máx. 8A en series M, K, S y máx. 3A serie B).
Existen otros módulos con 2, 4 y 6 relés de salida, en este caso la corriente de carga puede alcanzar 6 Amperes
Módulo ‘T1’ de 1 salida transistor aislada
Capacidad de conmutación hasta 35Vdc @50mA.
Módulo ‘SSR’ de 1 salida aislada para control de relé SSR
Suministra +15Vdc y corriente hasta 45mA que permite comandar los SSR más comunes.



